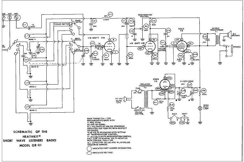
Heathkit GR-81 schematic

Heathkit GR-81 "Economy SWL Radio" schematic

GR81schm.JPG (62k)


Go back to the GR-81 page.



Go back to the BA Pix Homepage.